新製品情報
2024年7月29日発売
IP65 防塵防水スイッチボックス SBOX 45x45(F)
IP65 オールメタルタイプの防水スイッチボックスが誕生しました。

-
IP65のオールメタル防塵防水スイッチボックス
SUSならではのアルミ押出フレームの特長を生かしたスタイリッシュな防塵防水SBOXが誕生しました。防塵防水性能はIP65(IEC 60529)。エンドキャップはアルミダイカスト製、ケーブルクランプも金属製を使用し、オールメタルボックスで剛性に優れています。

-
固定やメンテナンスが簡単
ボックスの固定は2ヶ所。取付ブラケットで位置決めをして簡単に取付できます。
またスイッチ面の上蓋止めネジをゆるめれば蓋を開けることができるのでメンテナンスが簡単です。

-
すぐに使えるオールインワンパッケージ
SBOXで人気のAIOシリーズと同様に、スイッチ付、組立、ケーブルは余裕をもった3m配線済みです。お手元に届いたらすぐに使用できて効率的です。スイッチはオムロン、IDEC、富士電機からお選びください。

-
CEマーキング適合
CEマーキング適合のスイッチボックスです。
ケーブルはUL規格 UL 758(難燃性)対応です。
※1 RoHS 2011/65/EU
EN IEC 63000:2018
仕様
付属の取付ブラケットを使えば差し込んで締めるだけ
ボックスのケーブル側に、付属の取付ブラケットをあらかじめ固定します。
工具と干渉せずにボックスを簡単に取り付け、取り外しが可能です。
※ケーブル取出し口を上向きにしての使用はケーブルクランプの仕様で推奨しておりません。
上蓋ネジをゆるめるだけでメンテナンスが簡単にできます。
スイッチ面の上蓋止めネジをゆるめると、
ボックスの上蓋を取り外すことができます。
【メンテナンス等で蓋をあけた場合の注意事項】
- ・ねじは完全に締め付けてください。所定の防塵防水性能が発揮できません。
- ・すべてのネジを仮止め後、均等に本締めしてください。
(ネジが着座した状態で締め付けトルク0.75N・m以上1.5N・m以下)
- ・Oリングは交換目的以外で外さないでください。
- ・外したOリングは再度使用しないでください。
- ・Oリングは定期的に交換してください。
指定 Oリング(オーリング) NOK製
| 使用箇所 |
メーカー型式 |
数量 |
| エンドキャップ |
CO 3191 A AS568-030-A |
2 |
| 本体フレーム L=77 |
CO 3191 A AS568-030-A |
1 |
| 本体フレーム L=126 |
CO 4457 A AS568-040-A |
1 |
| 本体フレーム L=142 |
CO 4335 A AS568-042-A |
1 |
このページの先頭へ▲
ラインアップ
オールインワン
R4C-***
※ IDEC製スイッチ付ボックスには非常停止シールは付きません。
| 搭載スイッチ |
オムロン |
IDEC |
富士電機 |
非常停止スイッチ 頭径φ30 |
照光式 |
C1S-601R A165E-LS-24D-01 |
C1S-658R XA1E-LV3SG02Q4R |
C1S-757R AR16V0L-02E3R |
| 非照光式 |
C1S-603R A165E-S-01 |
C1S-657R XA1E-BV3SG02R |
C1S-758R AR16V0R-02R |
押ボタンスイッチ 長角形 |
照光式 |
C1S-605* A165L-J*M-24D-1 |
C1S-655* AL6H-M14P* |
C1S-761* AR16G0N-C1E3* |
| 非照光式 |
C1S-607* A165-J*M-1 |
C1S-656* AB6H-M1P* |
C1S-763* AR16G0T-C1* |
※ 色:緑=G, 赤=R, 黄=Y
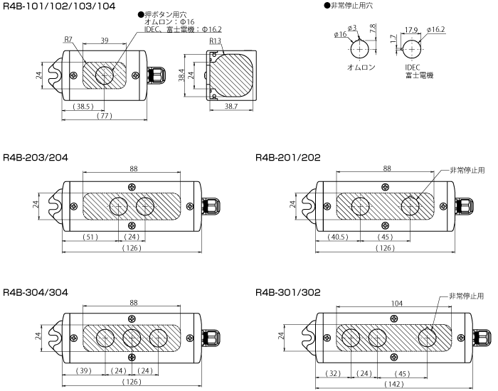
穴加工ボックス スイッチ取付有効寸法 (適合ケーブル径:Φ6.5~8)
| ※ |
穴加工ボックス(ケーブル別売) |
4545_assembly_cable_near.jpg?v2) |
|
● |
穴加工ボックスの製品構成 |
|
ケーブルクランプ付穴加工ボックス+取付ブラケット |
| ● |
穴加工ボックスのアイテムNo.でご購入の場合は、 |
|
お客様での部品の組み立て及び配線となります。 |
|
ケーブルは専用のものをご購入ください。 |
| ● |
防塵防水仕様での注意事項 |
|
・ |
組付が不完全の場合、所定の防塵防水性能を発揮することができません。 |
|
|
お客様で水の侵入がないことを確認の上ご使用ください。 |
|
・ |
取付穴径の合ったIP65対応のスイッチをご使用ください。 |
|
・ |
専用のケーブルを必ずご使用ください。 |
|
・ |
Oリングのずれやねじれがないことを確認し、ネジは完全に締め付けてください。 |
|
・ |
ケーブルクランプの締付量は右図を参考に無理のない締付をしてください。 |
このページの先頭へ▲
保守部品
SBOX(F)取付ブラケット
※ SBOX(F)取付の推奨使用ボルト:M5トラスネジ
ボックスのケーブル側に、取付ブラケットを固定したら、
ボックスを取付ブラケットに差し込みます。
ケーブルクランプと工具が干渉せずにボックスを簡単に
取り付け、取り外しが可能です。
このページの先頭へ▲
« 新製品情報TOPに戻る